Hesabım
Şifremi Unuttum
Sepetim

Grohe Grohe Rapido U - 37338000

Ürün Kodu : GRH37338000
Daha Fazla VİTRA Ürünü


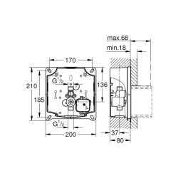
Pisuar için montaj kutusu
manuel veya Tectron fotoselli elektronik 6 V veya 230 V kumanda için
stop valfli su grubu
akış basıncı minimum 0.5 bar
maksimum çalışma basıncı 10 bar
yardımcı boşaltım
fonksiyon ünitesi fabrika çıkışında kontrol edilir
temiz su giriş bağlantısı 1/2' dış dişli
Şebeke kaynağı için bağlantı ünitesi
contalı montaj kutusu
kuru kaplama ve duvar bölmesi için sabitleme noktaları
kısaltılabilir bakım şaftı, yapım aşamasında koruma dahil
Boyutlar (cm)
230 x 165 x 210
Ağırlık (Kg)
0.88
T-Soft E-Ticaret Sistemleriyle Hazırlanmıştır.